產品簡介
MICRO-HITE
產品編號
| 回頁首 | 產品規格 | 產品尺寸 |
特色
|
▲獨立設計-針對平面、平行、圓柱面的內圓、外圓、高度、深度、階差、距離等幾何尺寸的量測。 ▲自動擷取圓孔、軸件的極點高度。 ▲IG-13依據 ISO 1101規範,量測垂直度、真直度、平行度等偏擺、偏移值。 ▲以先進的概念所製造的電子高度計。 ▲簡潔流暢的設計,沒有雜亂的信號線。 ▲取點快速、簡單,尤其是面對圓孔量測。 ▲可切換公英制。 ▲解析度可自由選擇0.0005mm、0.001mm、0.01mm、0.1mm。 ▲藉CAA(Computer Aided Accuracy,電腦輔助精度)自動補償偏差值,達到長度、真直度、垂直度的超高精度。 |
![]() |
▲與鋼一樣的膨脹係數(11.5*10-6/K ),減少儀器與工件不同的膨脹差異。

▲顯示器power panel以交談式的操控引導操作者使用本機台。
▲不用手動計算。
▲可程式化99組量測模組,每一個模組可以設定64個公差上下限。
▲內建印表機,也可以外接輸出A4大小格式的印表機,。
▲可接RS-232輸出。
▲新機附有SCS校驗報告證書。


▲大角度量測。


![]() |
![]() |
▲電子分厘表IG-13的使用,可以完成真直度,垂直度的量測。

▲單一量測畫面可以同時獲得兩個以上的數據。

▲二次元功能畫面。
| 回頁首 | 產品特色 | 產品尺寸 |
規格
|
款式
|
350 | 600 | 900 |
|
量測距離(mm)
|
365 | 615 | 920 |
|
應用範圍(mm)
|
520 | 770 | 1075 |
|
00760057測頭座
應用範圍(mm) |
575 | 825 | 1130 |
|
S07001622測頭座
應用範圍(mm) |
745 | 995 | 1300 |
|
線性精度
|
(2+3L)μm | ||
|
重複精度
|
2δ≦1μm | ||
|
垂直度(μm)
|
7 | 9 | 11 |
|
垂直度(μm)(用IG-13)
|
6 | 8 | 10 |
| 回頁首 | 產品特色 | 產品規格 |
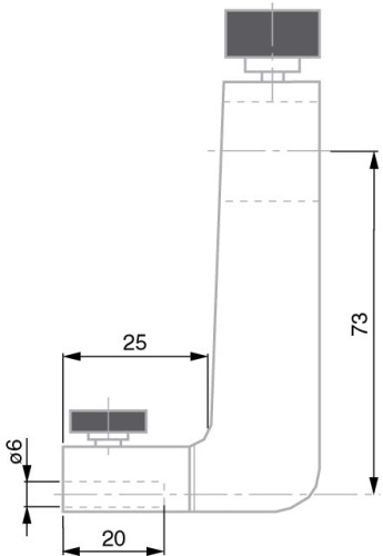
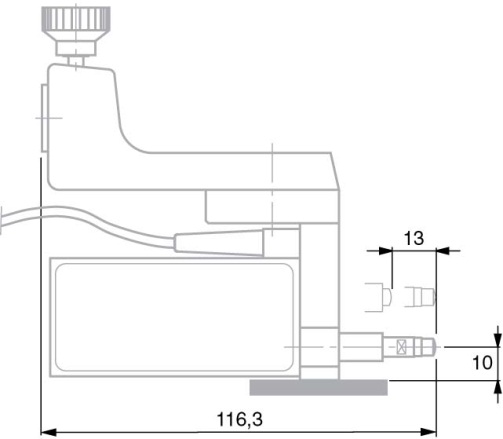
尺寸
▲標準測頭。

▲標準測定臂。

▲測頭補正塊。

▲IG-13電子量表。
本網頁僅做參考,如有差異,依實物為準。









