產品介紹

PRODUCTS

產品簡介
表面粗度儀
  • 表面粗度儀主機
  • Mitutoyo表粗測針
    • SJ-210用
    • SJ-310用
    • SJ-410用
    • SJ-500用
    • SV系列用
  • Mitutoyo粗度儀用配件
    • SJ-210用配件
    • SJ-310用配件
    • SJ-410用配件
    • SJ-500用配件
    • SV系列用配件
  • 表粗軟體
輪廓測定儀
真圓度測定儀
影像量測儀
精密高度規
三次元測定機
工具顯微鏡
光學投影機
長度小量具GAGE
硬度計
雷射測定儀
前處理設備
實體顯微鏡
放大鏡
金相顯微鏡
花崗石製品
同心儀、偏心儀
膜厚計
質量、力量
用途分類
表面粗度儀主機
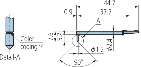
標準測針
產品編號

產品編號:
12AAE882:R1μm、60°
12AAE924:R1μm、90°
12AAC731:R2μm、60°
12AAB403:R5μm、90°
12AAB415:R10μm、90° 
12AAE883:R250μm

 

本網頁僅做參考, 如有差異, 依實物為準。