關於同加
公司理念
重要紀年
組織架構
應用及原理
表面粗糙度計
真圓度機
輪廓儀
工具顯微鏡
2D影像量測儀
精密萬能投影機
二次元高度規
三次元測定機
花崗石製品
數字尺
膜厚計
標準件_塊規
實體顯微鏡
螺紋量測
a
產品介紹
產品簡介
表面粗度儀
輪廓測定儀
真圓度測定儀
影像量測儀
精密高度規
三次元測定機
工具顯微鏡
光學投影機
長度小量具GAGE
硬度計
雷射測定儀
前處理設備
實體顯微鏡
放大鏡
金相顯微鏡
花崗石製品
同心儀、偏心儀
膜厚計
質量、力量
用途分類
訊息中心
新品上市
促銷方案
產業訊息
三豐日本工廠參觀
公司訊息
準新品介紹
庫存
委賣
徵才訊息
高雄地區徵才訊息
聯絡我們
產品介紹
PRODUCTS
產品簡介
表面粗度儀
表面粗度儀主機
Mitutoyo表粗測針
SJ-210用
SJ-310用
SJ-410用
SJ-500用
SV系列用
Mitutoyo粗度儀用配件
SJ-210用配件
SJ-310用配件
SJ-410用配件
SJ-500用配件
SV系列用配件
表粗軟體
輪廓測定儀
輪廓測定儀主機
Mitutoyo輪廓機用測針
CV-1000 / CV-2000用測針
CV-2100用測針
CV-3200用測針
CV-4500用測針
Mitutoyo輪廓機用配件
CV-1000 / CV-2000用配件
CV-2100用配件
CV-3200用配件
CV-4500用配件
Mitutoyo輪廓機用軟體
真圓度測定儀
圓度儀主機
Mitutoyo圓度儀測針
Mitutoyo圓度儀配件
圓度儀軟體
影像量測儀
2.5D影像儀
2.5D影像軟體
精密高度規
三次元測定機
三次元測定儀主機
三次元軟體
三次元測頭
工具顯微鏡
光學投影機
長度小量具GAGE
卡尺Caliper
分厘表Dial Gage
分厘卡Micrometer
三點式內測分厘卡
兩點式內徑測微器
分厘卡頭Microhead
高度計
缸徑規Bore Gage
厚度計Thinkness
槓桿表Indicator
測頭
深度計
卡表
塊規Gage Block
環規Ring Gage
插梢規Pin Gage
階規、標準尺...
小孔量規
指示型塞規
空氣量規Air Gage
垂直度測試儀
角度量器Angle Gage
牙規
厚薄規
弧度規
熔接規
螺紋拴規
螺紋環規
膜厚計
超音波測厚儀
配件
磁性座
其他
硬度計
雷射測定儀
前處理設備
切割機
鑲埋機
研磨機
實體顯微鏡
OLYMPUS
carton
光源
放大鏡
PEAK
標線片
台製
金相顯微鏡
花崗石製品
同心儀、偏心儀
膜厚計
質量、力量
推拉力計
橡膠硬度計
扭力扳手
張力計
螺絲貫穿試驗機
用途分類
標準件
內側尺寸
1D(一維)
2D(二維)
3D(三維)
相關網站
您現在位於
首頁
>
產品介紹
>
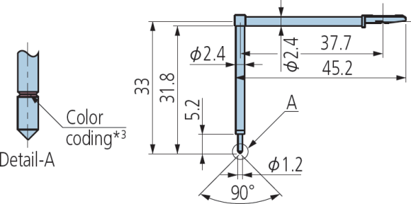
表面粗度儀 > 表面粗度儀主機 > 深溝30mm用測針
表面粗度儀主機
深溝30mm用測針
產品編號
▲
產品編號:
1
2AAC737:2μm、60°
12AAB407:5μm、90°
12AAB419:10μm、90°
本網頁僅做參考, 如有差異, 依實物為準。
關於同加
|
應用及原理
|
產品介紹
|
訊息中心
|
準新品介紹
|
徵才訊息
|
聯絡我們
官方部落格
同加貿易有限公司
總公司電話 : +886-7-371-4168, 總公司地址 : 高雄市仁武區鳳仁路97-27號
台中區電話 : +886-4-2386-1720
台南區電話 : +886-6-201-3489
大陸華南/華東