
▲備有可配合用途的各種模式,如只測定一次可用單人模式、程式編輯作成,而同一項工作需要多次測定時,則使用教學模式。
|
|
◄可於測定、解析、列印版面等任一畫面切換語言。
◄測定之後還能切換他國語言製作報告書,超越國界地運作。 ◄可以有效率的在程式裡編排測定、解析、輸出報告書等一貫的作業流程。 ◄可隨時插入照片註解,將工作的注意狀況編排在註解裡。 ◄展開選單即可簡單開啓操作程序,並立即進行測定。 |

▲使用雙邊圓錐測針時可以連續性地完成工件上下面量測。
▲連續性上下面量測可以分析內螺紋有效徑等過去難以處理的量測需求。

▲支援語言:日語、英語、德語、法語、義大利語、西班牙語、波蘭語、匈牙利語、瑞典語、捷克語、韓語、簡體中文、繁體中文、土耳其語、葡萄牙語。
▲不需使用Excel等軟體即可統計計算粗糙度參數或輪廓解析結果。

▲設計資料可從CAD檔案(DXF、IGES格式檔案)或文件資料產生。
▲測定資料可轉成設計資料。
▲可在工件使用(試驗)前就先予以測定並儲存成設計資料,在工件使用(試驗)後便可呼出之前儲存的資料,以比對出磨耗狀況。
▲可以從CSV格式的文件檔案建立非球面鏡片的設計資料,也可以輸入旋轉的對稱多項是非球面公式(最多20階)。

▲搭配線上支援可隨時閱覽。能依照目次別和關鍵字搜尋,並設置狀況保存支援鍵,按下即可顯示支援的選單和視窗。

▲對應CV-4500系列的上下面連續測定機能、測定力可變機能,可以更得心應手地使用各種新機能。

▲可隱藏使用頻率較低的按鍵,只顯示常用圖鈕,並配合客戶的使用習慣將其圖形視窗放大顯示等客制化畫面。

▲指令共有點(10種)、線(16種)、圓(6種)等多種解析的基本要素,配合這些要素的角度、間距、距離等豐富的計算指令、輪廓比對機能、設計值生成機能,也作為標準功能而設計。
▲圓、線自動計算機能:只要使用圓、線自動配對指令,即可自動算出資料內包含的所有圓、線,不需再按數次指令鍵。
▲異常點去除機能:計算時可自動排除資料內所含有的異常點,並於圓、線的界限難以判別時,設定計算範圍。
▲演算結果以文件格式輸出:可將測定圖形的資料以點列資料的方式輸出至文件檔案(csv、txt)或CAD檔案(DXF、IGES格式),並能複製到剪貼簿輸出。
▲能夠活用於市售的文書處理軟體、統計處理軟體,以及與未安裝專用解析軟體的電腦做檔案共享,並進階作CAD的逆向工程。

▲內建輪廓比對機能:內建能讓設計資料與測定資料在座標中最適合的位置上移動的最佳化機能。
![]() |
![]() |
| 輪廓比對結果範例 | 輪廓比對結果數值輸出範例 |
▲比對結果不僅可用視覺化的圖形顯示,還可顯示各座標上的誤差量或誤差量展開,或以文件檔案的方式輸出,應用於加工機的回餽資料等。
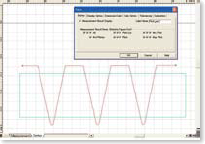
矩形中指定螺絲節距範圍實例
▲簡單間距計算機能:在進行螺絲的節距、圓與圓的間隔(中心點的間距)等多個同形狀的間距解析時,只要簡單地操作滑鼠就能指定範圍,可輕鬆、有效率地進行解析。

▲資料合成:處理測定物的外觀形狀時,可分割多處作測定並將測定資料合成為一個圖形來作解析。










| 回頁首 |
本網頁僅做參考, 如有差異, 依實物為準。









